In this section, we have thoroughly taught you how to perform nonlinear buckling analysis using the Riks method in Abaqus/CAE. This downloadable package includes a step-by-step PDF guide and ready-to-run model files to master advanced structural stability analysis.
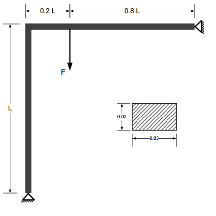
Gain the skills necessary to simulate post-buckling behavior by analyzing two perpendicular beams under concentrated loads. This package is very useful for engineers working on frame stability, slender structures, and nonlinear structural response prediction.

Package includes
- ✅ Step-by-step illustrated PDF tutorial (English)
- ✅ Ready-to-run Abaqus CAE (.cae) model file
- ✅ Complete 2D beam geometry setup
- ✅ Instructions for Riks method implementation
- ✅ Practical tips for post-buckling analysis and convergence
What you will learn
- Create 2D wireframe geometry for beam structures
- Define aluminum material properties (E=71.74 GPa, ν=0)
- Assign rectangular beam cross-sections and orientations
- Set up Static, Riks analysis with Nlgeom activated
- Apply pin boundary conditions and concentrated loads (996.389 N)
- Mesh with B21 beam elements and render beam profiles
- Extract and plot force-displacement curves for post-buckling behavior
See more Step-by-Step Tutorial for Distributed and Concentrated Loads
Tutorial overview
This tutorial provides a complete workflow for nonlinear buckling analysis of two perpendicular beams using the Riks method in Abaqus. You will learn to model frame structures, implement arc length control for post-buckling analysis, and derive critical load-displacement relationships (essential skills for assessing structural stability).
Abaqus Riks method
The Riks method in Abaqus is an advanced numerical technique designed to solve nonlinear stability problems where structures buckle, crack, or collapse. Unlike traditional static analysis, the Riks method (also called the arc length method) can trace the full equilibrium path of a structure beyond its critical load point. We use it to analyze how frames, shells, and slender members behave under increasing loads. This method is essential for predicting post-buckling behavior, simulating structural failure, and ensuring that designs remain safe under critical conditions. At Matech, we guide you through the step-by-step implementation of the Riks method in Abaqus, helping you master nonlinear buckling analysis for real-world engineering challenges.
Who is this tutorial for?
- Structural engineers analyzing frame and column stability
- Mechanical engineers working on slender components
- Researchers studying post-buckling behavior
- Any Abaqus user moving from linear to nonlinear stability analysis
Product details
- Format: PDF + .cae (Abaqus CAE file)
- Software: Abaqus/CAE
- Difficulty: Intermediate-Advanced (Nonlinear Buckling focus)
- Category: Nonlinear Analysis, Structural Stability
- Author: Mathech – Abaqus Experts for Finite Element Simulation
Why this tutorial?
Understanding structural buckling is critical for the safe design of slender components. This training provides hands-on experience with the Riks method.










Reviews
There are no reviews yet.